Elektrostatyka
Stały prąd elektryczny
Ósmy tydzień przygotowań powinien upłynąć nam na powtarzaniu zagadnień z szeroko pojętej elektryczności – elektrostatyki i stałego prądu elektrycznego. Oba fragmenty podstawy są ważne, ale, jeśli miałbym jeden z nich faworyzować, to z całą pewnością byłby to prąd elektryczny. Dlaczego? Wykorzystanie tego zjawiska w ogromnym spektrum urządzeń naszego życia codziennego, stanowi jedną z podstaw funkcjonowania praktycznie każdej stosowanej przez nas technologii. Bez wahania można, moim zdaniem, stwierdzić, że prąd elektryczny stanowi podstawę funkcjonowania współczesnej cywilizacji i zapewne z tego powodu zadania z tej tematyki są stałym i zazwyczaj mocno eksponowanym elementem każdego arkusza maturalnego z fizyki. Elementy elektrostatyki i prądu elektrycznego w sporym zakresie pojawiają się już w podstawie programowej gimnazjum. Wystarczy rzut oka na listę obowiązujących zagadnień, żeby zauważyć, że „Elektryczność” to duży dział.
Zagadnień jest dużo, mimo, że – ze względu na ograniczenia spowodowane pandemią sporo z tej tematyki usunięto.
Z zakresu pola elektrycznego zostały wyeleminowane:
„Uczeń:
– posługuje się pojęciem pojemności elektrycznej kondensatora;
– oblicza pojemność kondensatora płaskiego, znając jego cechy geometryczne;
– oblicza pracę potrzebną do naładowania kondensatora.
– opisuje wpływ pola elektrycznego na rozmieszczenie ładunków w przewodniku, wyjaśnia działanie piorunochronu i klatki Faradaya.”
Z zagadnień stałego prądu elektrycznego:
„Uczeń opisuje wpływ temperatury na opór metali i półprzewodników.”
Podstawa programowa
Co wobec tego trzeba wiedzieć, rozumieć i umieć?
Szczegółowe wymagania egzaminacyjne
Elektryczność.
Zdający:
(GIM) opisuje sposoby elektryzowania ciał przez tarcie i dotyk; wyjaśnia, że zjawisko to polega na przepływie elektronów; analizuje kierunek przepływu elektronów;
(GIM) opisuje jakościowo oddziaływanie ładunków jednoimiennych i różnoimiennych;
(GIM) odróżnia przewodniki od izolatorów oraz podaje przykłady obu rodzajów ciał;
(GIM) stosuje zasadę zachowania ładunku elektrycznego;
(GIM) posługuje się pojęciem ładunku elektrycznego jako wielokrotności ładunku elektronu (elementarnego);
(GIM) opisuje przepływ prądu w przewodnikach jako ruch elektronów swobodnych;
(GIM) posługuje się pojęciem natężenia prądu elektrycznego;
(GIM) posługuje się (intuicyjnie) pojęciem napięcia elektrycznego;
(GIM) posługuje się pojęciem oporu elektrycznego, stosuje prawo Ohma w prostych obwodach elektrycznych;
(GIM) posługuje się pojęciem pracy i mocy prądu elektrycznego;
(GIM) przelicza energię elektryczną podaną w kilowatogodzinach na dżule i dżule na kilowatogodziny;
(GIM) buduje proste obwody elektryczne i rysuje ich schematy;
(GIM) wymienia formy energii, na jakie zamieniana jest energia elektryczna.
Pole elektryczne.
Zdający:
(LO) wykorzystuje prawo Coulomba do obliczenia siły oddziaływania elektrostatycznego między ładunkami punktowymi;
(LO) posługuje się pojęciem natężenia pola elektrostatycznego;
(LO) oblicza natężenie pola centralnego pochodzącego od jednego ładunku punktowego;
(LO) analizuje jakościowo pole pochodzące od układu ładunków;
(LO) wyznacza pole elektrostatyczne na zewnątrz naelektryzowanego ciała sferycznie symetrycznego;
(LO) przedstawia pole elektrostatyczne za pomocą linii pola;
(LO) opisuje pole kondensatora płaskiego, oblicza napięcie między okładkami;
(LO) analizuje ruch cząstki naładowanej w stałym jednorodnym polu elektrycznym.
Prąd stały.
Zdający:
(LO) wyjaśnia pojęcie siły elektromotorycznej ogniwa i oporu wewnętrznego;
(LO) oblicza opór przewodnika, znając jego opór właściwy i wymiary geometryczne;
(LO) rysuje charakterystykę prądowo-napięciową opornika podlegającego prawu Ohma;
(LO) stosuje prawa Kirchhoffa do analizy obwodów elektrycznych;
(LO) oblicza opór zastępczy oporników połączonych szeregowo i równolegle;
(LO) oblicza pracę wykonaną podczas przepływu prądu przez różne elementy obwodu oraz moc rozproszoną na oporze.
Równania
Jakie równania związane z tą tematyką znajdziemy w karcie wzorów maturalnych?

Zestaw zadań
Zadanie 1
Rysunek przedstawia układ trzech ładunków
q1 = q3 = 2 x 10-12 C oraz q2 = -4 x 10-12C umieszczonych w próżni. Odległość d1 = 40 cm,
a d2 = 20 cm.

a) Narysuj wektory natężeń składowych pól elektrycznych (wytworzonych przez poszczególne ładunki) oraz natężenie wypadkowe w punkcie A. Zachowaj proporcje długości wektorów.
b) Oblicz wartość wypadkowego natężenia pola elektrycznego w punkcie A oraz wartość siły, jaka działałaby na proton umieszczony w tym punkcie.
Zadanie 2
Elektron wpada w jednorodne pole elektryczne wytworzone pomiędzy metalowymi płytami w sposób przedstawiony na rysunku.

Oblicz, jaka powinna być prędkość początkowa elektronu, aby został zatrzymany przez pole elektryczne w połowie odległości pomiędzy płytami. Przyjmij, że natężenie pola elektrycznego pomiędzy płytami ma wartość 0.001 NC-1, a odległość pomiędzy nimi d = 10 cm.
Zadanie 3
W obwodzie przedstawionym na rysunku urządzenie elektryczne podłączone jest szeregowo ze źródłem prądu o SEM 2,5V i oporze wewnętrznym r. Natężenie prądu w obwodzie wynosi 0,1A. Moc, z jaką pracuje urządzenie, wynosi 0,23 W.

Oblicz:
a) moc dostarczaną przez źródło prądu,
b) opór urządzenia elektrycznego,
c) opór wewnętrzny źródła prądu.
Zadanie 4
Wykresy przedstawiają charakterystykę napięciowo-prądową pewnych źródeł prądu stałego. Wykorzystując dane odczytane z wykresu ustal wartości: siły elektromotorycznej, oporu wewnętrznego danego źródła oraz wartość maksymalnego natężenia prądu, jaki może być pobierany z danego źródła.
a)

b)

c)

Zadanie 5
Do akumulatora o sile elektromotorycznej 12V i oporze wewnętrznym 2 omów podłączono przy użyciu potencjometru o oporze całkowitym 40 omów żarówkę. Dla uproszczenia przyjmijmy, że żarówka ma stały opór o wartości 20 omów. Przyjmując, że suwak potencjometru dzieli jego opór w stosunku 1/8 do 7/8, oblicz opór zastępczy obwodu , wskazania mierników oraz spadek potencjału na oporze wewnętrznym źródła prądu.

Zadanie 6
Wykorzystując dane dotyczące oporów i siły elektromotorycznej, oblicz opór zastępczy oraz spadki napięć i natężenia prądu dla wszystkich elementów obwodu.
(zadanie wygenerowane za pomocą automatu – „Obwody elektryczne”)
a)

b)

c)

Zadanie 7
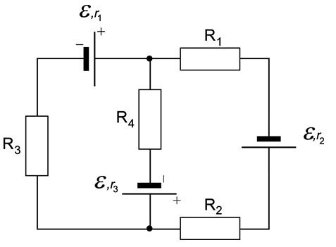
Oblicz natężenia prądów płynących przez poszczególne opory w obwodzie oraz spadek napięcia na oporze R4.

Przyjmij, że: SEM = 10V, r1 = r2 = r3 = 1om, R1 = R2 = 20 om, R3 = R4 = 10 om.
Zadanie 8
Grzałkę elektryczną zbudowaną z trzech identycznych elementów grzejnych podłączono do źródła prądu o napięciu 20 V. Schemat elektryczny grzałki przestawiony jest na rysunku.

Każdy z elementów grzejnych podłączonych osobno do opisanego źródła prądu pracuje z mocą 10W. Wykonując odpowiednie obliczenia uzupełnij tabelę (moc P, to moc całego obwodu). W obliczeniach dla uproszczenia przyjmij, że opór elementów grzejnych nie zależy od temperatury.

Zadanie 9
Arkusz egzaminu maturalnego z fizyki CKE – maj 2020 – poziom rozszerzony.

a)

b)

Zadanie 10
Arkusz egzaminu maturalnego z fizyki CKE – maj 2018 – poziom rozszerzony.

Zadanie 11
Arkusz egzaminu maturalnego z fizyki CKE – maj 2017 – poziom rozszerzony.

a)

b)

Zadanie 12
Arkusz egzaminu maturalnego z fizyki CKE – maj 2015 – poziom rozszerzony.

Zadanie 13
Arkusz egzaminu maturalnego z fizyki CKE – maj 2020 – poziom rozszerzony.

a)

b)

Zadanie 14
Arkusz egzaminu maturalnego z fizyki – maj 2019 – poziom rozszerzony.

a)

b)

Zadanie 15
Arkusz egzaminu maturalnego z fizyki CKE – maj 2017 – poziom rozszerzony.

Zadanie 16
Arkusz egzaminu maturalnego z fizyki CKE – maj 2016 – poziom rozszerzony.

a)

b)

c)

Zadanie 17
Arkusz egzaminu maturalnego z fizyki CKE – maj 2014 – poziom rozszerzony.

a)

b)

c)


d)

Odpowiedzi do zadań
Zadanie 1
a)

b)
E1 = 0.028 NC-1, E2 = 0.225 NC-1, E3 = 0.45 NC-1, E = 0.253 NC-1
F = 4.05 x 10-20 N
Zadanie 2
4.19 x 103 ms-1
Zadanie 3
a) 0.25 W
b) 2.3 om
c) 2 om
Zadanie 4
a) 1.8 V, 1.2 om, 1.5A
b) 3.0 V, 1.2 om, 2.5A
c) 8V, 0.04 om, 200A
Zadanie 5

Zadanie 6
a)

b)

c)

Zadanie 7
I1 = 1.015A, I2 = 0.215A, I3 = 0.8A, U4 = 8V
Zadanie 8

Zadanie 9
a)

b) D
Zadanie 10

Zadanie 11
a)

b) A
Zadanie 12

Zadanie 13
a) B
b)

Zadanie 14
a)

b)

Zadanie 15

Zadanie 16
a)

b)


c)

Zadanie 17
a)

b)

c)

d)

Zdjęcie autorstwa Rodolfo Clix z Pexels
Musisz być zalogowany, aby dodać komentarz.